关于绿能
服务热线
0577-57157777
|
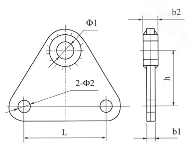
型号 Catalog No. |
主要尺寸Dimensions(mm) |
标称破坏荷重 Rated failure load(kN) |
重量 Weight (kg) |
|||||
| h | b1 | b2 | Φ1 | Φ2 | L | |||
| LV-1012 | 60 | 16 | 16 | 20 | 20 | 120 | 100 | 1.80 |
| LV-1212 | 90 | 16 | 16 | 24 | 20 | 120 | 120 | 2.30 |
| LV-1620 | 120 | 16 | 61 | 38 | 28.5 | 200 | 160 | 3.40 |
| LV-2115 | 100 | 16 | 24 | 30 | 24 | 150 | 200 | 2.50 |
| LV-2518 | 100 | 16 | 30 | 33 | 24 | 180 | 250 | 2.70 |
| LV-3014 | 120 | 18 | 34 | 44 | 28.5 | 140 | 300 | 4.60 |
| LV-3016 | 120 | 18 | 32 | 39 | 26 | 160 | 300 | 5.40 |
| LV-3018 | 120 | 18 | 32 | 39 | 26 | 180 | 300 | 5.90 |
| LV-4025 | 150 | 24 | 36 | 45 | 30 | 250 | 400 | 9.50 |
| LV-5020 | 150 | 30 | 38 | 45 | 33 | 200 | 500 | 8.20 |








