关于绿能
服务热线
0577-57157777
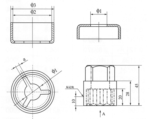
1)防盗帽
热镀锌钢制件。
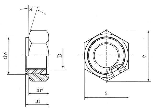
2)防盗螺母(专利:ZL 2007 20184142.3)
热镀锌钢制件。
|
型号 Catalog No. |
配套线夹 Disposing cord |
配套工具 | 主要尺寸Dimensions(mm) |
重量 Weight (kg) |
|||
| Φ1 | Φ2 | Φ3 | a | ||||
| FX-1 | NUT-1 | 1 | 18 | 38 | 42 | 4 | 0.45 |
| FX-2 | NUT-2 | 2 | 20 | 40 | 44 | 4 | 0.67 |
| FX-3 | NUT-3 | 3 | 22 | 45 | 50 | 4 | 0.94 |
2)防盗螺母(专利:ZL 2007 20184142.3)
| 规格Speci fication | M12 | M16 | M18 | M20 | M22 | M24 | M30 | |
| P(螺距)Pitch | 1.75 | 2 | 2.5 | 2.5 | 2.5 | 3 | 3.5 | |
| e | 22.78 | 26.17 | 29.56 | 32.95 | 36.95 | 39.55 | 550.85 | |
| m | Max | 11.2 | 13.9 | 15.9 | 17.5 | 18.2 | 21.3 | 24.4 |
| min | 9.4 | 12.7 | 13.5 | 15.7 | 16.1 | 18.2 | 21.3 | |
| mw | min | 8.5 | 11.3 | 12.1 | 13.5 | 15.55 | 15.55 | 17.4 |
| S | 21 | 24 | 27 | 30 | 32 | 36 | 46 | |








