关于绿能
服务热线
0577-57157777
LW3-10系列户外六氟化硫断路器
- 我要分享:
一、概述
LW3-10系列户外交流高压SF6气体作为来灭弧和绝缘介质,适用于10KV三相交流50Hz输配电网中,并作为控制和保护之用。产品分别为Ⅰ型和Ⅱ型两种。Ⅰ型配手力储能弹簧机构,主要作为柱上断路器使用。Ⅱ型配电动机储能弹簧机构,具有就地手控操作、远距离自动控制和自动重合闸操作功能,除作为柱上断路器使用外,还适用于中小型变电站作为控制和保护之用。
LW3-10系列户外交流高压SF6气体作为来灭弧和绝缘介质,适用于10KV三相交流50Hz输配电网中,并作为控制和保护之用。产品分别为Ⅰ型和Ⅱ型两种。Ⅰ型配手力储能弹簧机构,主要作为柱上断路器使用。Ⅱ型配电动机储能弹簧机构,具有就地手控操作、远距离自动控制和自动重合闸操作功能,除作为柱上断路器使用外,还适用于中小型变电站作为控制和保护之用。
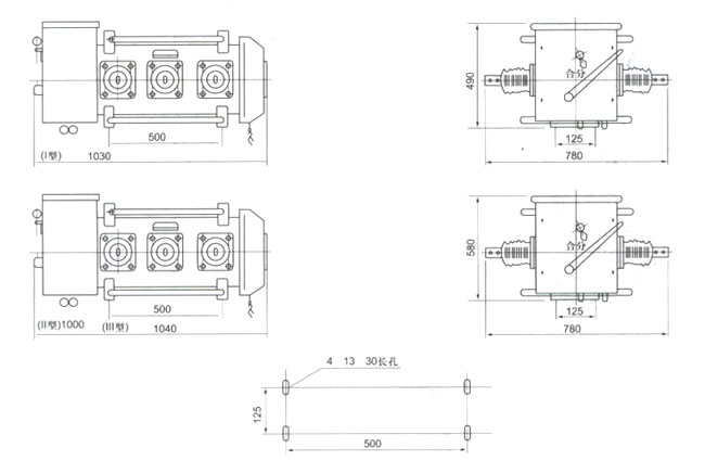
二、外型及安装尺寸
|
额定电压 (KV) |
额定电流 (KA) |
额定短路开断电流 (KA) |
额定短路 关合电流 (KA) |
额定峰值 耐受电流 (KA) |
额定短路 耐受电流 (KA) |
额定短路 持续时间 (S) |
额定短路电流开断次数 (次) |
重量(kg) |
| 10 |
400 630 |
6.3 8 12.5 |
16 20 31.5 |
16 20 31.5 |
6.3 8 12.5 |
4 | 430 |
Ⅰ型122 Ⅱ型130 |
