关于绿能
服务热线
0577-57157777
1)防水型铜接线端子
1)防水型铜接线端子
| 型号Catalog No. | 主要尺寸Dimensiongs(mm) | |||
| B | D | d | L | |
| DT-F-25 | 26 | 37 | 11 | 110 |
| DT-F-35 | 26 | 37 | 11 | 110 |
| DT-F-50 | 26 | 37 | 11 | 112 |
| DT-F-70 | 30 | 37 | 11 | 114 |
| DT-F-95 | 30 | 37 | 11 | 114 |
| DT-F-120 | 32 | 37 | 13 | 126 |
| DT-F-150 | 32 | 37 | 13 | 126 |
| DT-F-185 | 36 | 41 | 13 | 134 |
| DT-F-240 | 40 | 41 | 13 | 136 |
| DT-F-300 | 40 | 41 | 17 | 141 |
| DT-F-400 | 44 | 41 | 17 | 178 |
| DT-F-500 | 44 | 41 | 17 | 184 |
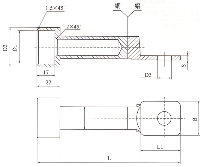
1)防水型铜接线端子
| 型号Catalog No. | 主要尺寸Dimensiongs(mm) | ||||||
| D1 | D2 | D3 | L | L1 | B | S | |
| DTL-F-25 | 31 | 37 | 11 | 120 | 30 | 26 | 3.5 |
| DTL-F-35 | 31 | 37 | 11 | 120 | 30 | 26 | 3.5 |
| DTL-F-50 | 31 | 37 | 11 | 122 | 34 | 30 | 3.5 |
| DTL-F-70 | 31 | 37 | 11 | 124 | 34 | 30 | 4.0 |
| DTL-F-95 | 31 | 37 | 11 | 124 | 34 | 30 | 4.0 |
| DTL-F-120 | 31 | 37 | 13 | 136 | 38 | 32 | 4.5 |
| DTL-F-150 | 31 | 37 | 13 | 136 | 38 | 32 | 5.0 |
| DTL-F-185 | 35 | 41 | 13 | 144 | 42 | 36 | 5.5 |
| DTL-F-240 | 35 | 41 | 13 | 146 | 46 | 40 | 6.8 |
| DTL-F-300 | 35 | 41 | 17 | 151 | 50 | 40 | 7.8 |
| DTL-F-400 | 35 | 41 | 17 | 189 | 50 | 44 | 12.8 |
| DTL-F-500 | 35 | 41 | 17 | 194 | 50 | 44 | 14.8 |









