欢迎来到绿能电力科技有限公司官网
收藏本站|  语言版本:中文版English
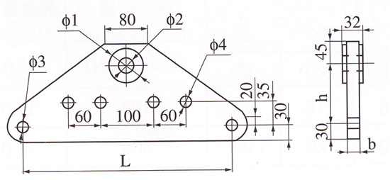
联板8

联板8

    我要分享:

型号
Catalog 
No.
主要尺寸Dimensions(mm)
参考重量
Weight
(kg)
L h Φ1 Φ2 Φ3 Φ4 b
BN1-30 400 110 70 38 26 18 22 21.7

其它产品

  • 联板1

  • 联板2

  • 联板3

  • 联板

  • 联板5

  • 联板6

  • 联板7

  • 联板9

  • 联板10