欢迎来到绿能电力科技有限公司官网
收藏本站|  语言版本:中文版English
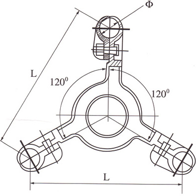
三分裂间隔棒

三分裂间隔棒

    我要分享:

型号
Catalog No.
 
适用导线
Conductor
主要尺寸Dimensions(mm) 参考重量
Weight
(kg)
Φ L
MRJ-51/400Y 51 51 400 3.5

线夹本体为铝合金件,其余为热镀锌钢制件。

其它产品

  • 双分裂间隔棒

  • 双分裂间隔棒

  • 双母线间隔棒

  • 双分裂间隔棒

  • 三分裂间隔棒

  • 均压环

  • 均压屏蔽环

  • 屏蔽环

  • 均压环