关于绿能
服务热线
0577-57157777
|
型号 Catalog No. |
主要尺寸Dimensions(mm) |
重量 Weight(kg) |
||||||
| L | L1 | L2 | h1 | h2 | b | Φ | ||
| ZC-18 | 350 | 240 | 200 | 300 | 220 | 30 | 24 | 21.8 |
|
型号 Catalog No. |
主要尺寸Dimensions(mm) |
重量 Weight(kg) |
||||||
| L | L1 | L2 | h1 | h2 | b | Φ | ||
| ZC-20 | 390 | 240 | 200 | 300 | 225 | 30 | 24 | 21.8 |
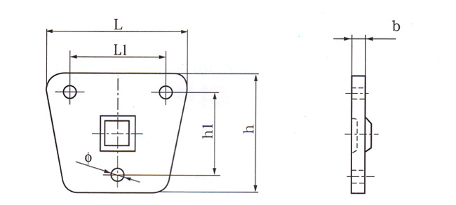
|
型号 Catalog No. |
主要尺寸Dimensions(mm) |
重量 Weight(kg) |
|||||
| L | L1 | h1 | h2 | b | Φ | ||
| ZD-20 | 450 | 240 | 300 | 220 | 30 | 24 | 21.8 |








